-
Ürünlerimiz
KVKK
Dil Seçiniz
English
Anasayfa
Kurumsal
Hakkımızda
Referanslarımız
Örnek Tasarımlar
İK
Teklif Al
KVKK
Hizmetlerimiz
Ürünlerimiz
TEK FAZLI INVERTER MODÜLLER
KAYNAK MAKİNELERİ
LABORATUAR TİPİ DC GÜÇ KAYNAKLARI
MODÜLER BESLEME KARTLARI
SMPS’LER
3 FAZ INVERTER MODÜLLERİ
TRAFOLAR
BOBİNLER
Ekibimiz
Blog
İletişim
Teklif Formu
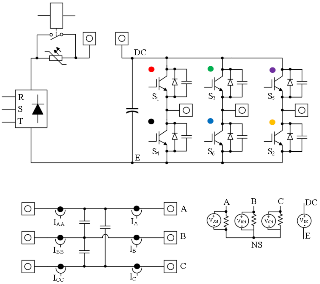
3 FAZ INVERTER MODÜLLERİ
Anasayfa
3 FAZ INVERTER MODÜLLERİ
3 FAZ INVERTER MODÜLLERİ
3 FAZ INVERTER MODÜLLERİ
İncele
3 Faz İnverter Üçgen Çıkışlı Modül
İncele
3 Faz İnverter Yıldız yada Üçgen Çıkışlı Modül